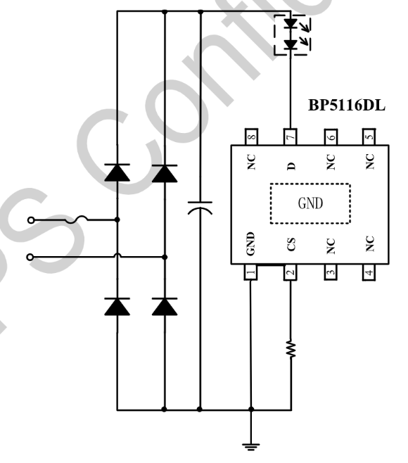
BP5116DL is a high-precision single-stage linear constant current LED control chip that integrates a high-voltage MOSFET and JFET high-voltage power supply function. It is mainly used to drive high-voltage, low-current LED strings powered by mains electricity. Due to the absence of magnetic components, the LED driver can achieve a small size, long lifespan, and comply with EMI regulations.
Advantage
The peripheral circuit is very simple and the driver is very small in size
No magnetic components are needed
It features a 500V high-voltage MOSFET and no varistor is required
It has an ultra-fast LED startup
±5% LED output current accuracy
Application area
GU10/E27 LED bulb, spotlight, LED insect candle lamp and other LED lighting products