Ö§³Ö¿É¿Ø¹èµ÷¹â
ÄÚÖà COMP ±Õ»·ºãÁ÷¿ØÖÆ
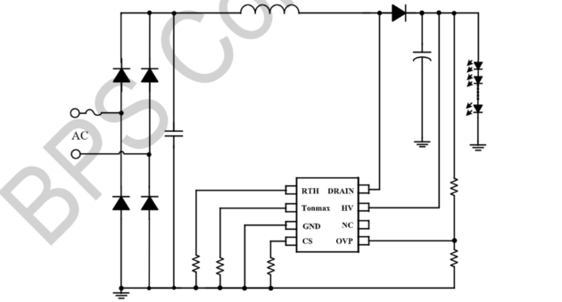
ÄÚ²¿¼¯³É500V¹¦ÂʹÜ
ÁÙ½çÁ¬ÐøµçÁ÷¿ØÖÆÄ£Ê½
¼¯³É 600V ¸ßѹ JFET¹©µç£¬£¬£¬ÎÞVCCµçÈÝ
¡À5% LED Êä³öµçÁ÷¾«¶È