µÂÓ®VWIN

µÂÓ®¡¤(VWIN)¹Ù·½ÍøÕ¾-ACÃ×À¼¹Ù·½ÏàÖúͬ°é Ä¿½ñλÖ㺣º Ê×Ò³ ²úÆ·ÖÐÐÄ>LEDÕÕÃ÷Çý¶¯Ð¾Æ¬>µ÷¹â>·Ç¸ôÀë PWMµ÷¹â
¼òÊö
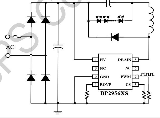
BP2956XS ÊÇÒ»¿îÖ§³ÖPWM ÊäÈëµ÷¹âµÄ¸ß¾«¶È½µÑ¹ÐÍLED ºãÁ÷Çý¶¯Ð¾Æ¬£¬£¬È«³Ì½ÓÄÉÄ£Äâµ÷¹â¿ØÖÆÄ£Ê½£¬£¬×¨ÎªÎÞÆµÉÁÎÞÔëÉù LED ÖÇÄÜÕÕÃ÷Ó¦ÓöøÉè¼Æ¡£¡£¡£¡£BP2956XSÄܹ»µÖ´ïÓÅÒìµÄµ÷¹âÏßÐԶȺÍÊä³öµçÁ÷Ò»ÖÂÐÔ£¬£¬ÊÊÓÃÓÚ85Vac~265VacÈ«¹æÄ£ÊäÈëµçѹµÄ·Ç¸ôÀ뽵ѹÐÍLEDºãÁ÷µçÔ´¡£¡£¡£¡£ BP2956XS оƬ¼¯³É¸ßѹÆô¶¯µç·ºÍ 500V¹¦ÂʹÜ£¬£¬ÎÞÐèVCC µçÈݺ͸¨ÖúÈÆ×飬£¬Ö»ÐèÒªºÜÉÙµÄÍâΧԪ¼þ£¬£¬¼´¿ÉʵÏÖÓÅÒìµÄºãÁ÷ÌØÕ÷£¬£¬¼«´óµÄ½ÚÔ¼ÁËϵͳ±¾Ç®ºÍÌå»ý¡£¡£¡£¡£BP2956XS оƬÄÚ²¿´øÓи߾«¶ÈµÄµçÁ÷²ÉÑùµç·£¬£¬À´ÊµÏÖ׼ȷµÄ LED ºãÁ÷Êä³öºÍÓÅÒìµÄÏßµçѹµ÷½âÂÊ¡£¡£¡£¡£
ÓÅÊÆ

    Ö§³Ö 1%-100%PWM µ÷¹â

    È«³ÌÄ£Äâµ÷¹âÎÞÆµÉÁ

    ÎÞÐèÆô¶¯µç×èºÍ VCC µçÈÝ

    ÄÚ²¿¼¯³É 500V ¹¦ÂʹÜ

    Ê¿5% LED Êä³öµçÁ÷¾«¶È

    LED ¿ªÂ·ÑÚ»¤

Ó¦ÓÃÁìÓò
  • LED Îü¶¥µÆ
  • LED ÇòÅݵÆ
  • ÆäËü LED ÕÕÃ÷
µä·¶Ó¦ÓÃÔ­Àíͼ
µÂÓ®¡¤(VWIN)¹Ù·½ÍøÕ¾-ACÃ×À¼¹Ù·½ÏàÖúͬ°é
·â×°
  • µÂÓ®¡¤(VWIN)¹Ù·½ÍøÕ¾-ACÃ×À¼¹Ù·½ÏàÖúͬ°é
ÊÖÒÕÎĵµ
ÎĵµÀàÐÍ ÎÊÌâ ÀàÐÍ ÎļþÏÂÔØ
¹æ¸ñÊé BP2956XS pdf ÍêÕû°æ
µÂÓ®¡¤(VWIN)¹Ù·½ÍøÕ¾-ACÃ×À¼¹Ù·½ÏàÖúͬ°é
µÂÓ®¡¤(VWIN)¹Ù·½ÍøÕ¾-ACÃ×À¼¹Ù·½ÏàÖúͬ°é
µÂÓ®¡¤(VWIN)¹Ù·½ÍøÕ¾-ACÃ×À¼¹Ù·½ÏàÖúͬ°é
µÂÓ®¡¤(VWIN)¹Ù·½ÍøÕ¾-ACÃ×À¼¹Ù·½ÏàÖúͬ°é
¡¾ÍøÕ¾µØÍ¼¡¿