µÂÓ®VWIN

µÂÓ®¡¤(VWIN)¹Ù·½ÍøÕ¾-ACÃ×À¼¹Ù·½ÏàÖúͬ°é Ä¿½ñλÖ㺣º£º Ê×Ò³ ²úÆ·ÖÐÐÄ>LEDÕÕÃ÷Çý¶¯Ð¾Æ¬>·Çµ÷¹â>¸¨ÖúµçÔ´
¼òÊö
BP6526B ÊÇÒ»¿î¸ßЧÖÇÄÜת»»Æ÷£¬£¬Àο¿Êä³öµçѹ5V ¡£ µ±ÊäÈëµçѹ¹æÄ£ÔÚ 12~13V ʱ£¬£¬×î´óÊä³öµçÁ÷ 110mA ¡£ µ±ÊäÈëµçѹ¹æÄ£ÔÚ 13~30V ʱ£¬£¬×î´óÊä³öµçÁ÷ 150mA ¡£ BP6526B Ïà±È¹Å°åÏßÐÔ LDO ЧÂÊÏÔÖøÌáÉý ¡£ ÍâΧÎÞÐè´¢Äܵç¸Ð£¬£¬ÓÐÀûÓÚÓÅ»¯ÏµÍ³Ìå»ýºÍ±¾Ç® ¡£ BP6526B ¼¯³É¶àÖÖ±£»¤¹¦Ð§ ¡£
ÓÅÊÆ

    ÊäÈëµçѹ 12-30V

    Àο¿Êä³ö 5V

    ×î´óÊä³öµçÁ÷ 150mA

    ÎÞÐè´¢Äܵç¸Ð

    ¸ÄÉÆ EMI ÐÔÄܵĶ¶ÆµÊÖÒÕ

    ±£»¤¹¦Ð§

Ó¦ÓÃÁìÓò
  • DC/DC ¸¨ÖúµçÔ´
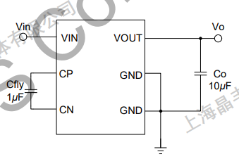
µä·¶Ó¦ÓÃÔ­Àíͼ
µÂÓ®¡¤(VWIN)¹Ù·½ÍøÕ¾-ACÃ×À¼¹Ù·½ÏàÖúͬ°é
·â×°
  • µÂÓ®¡¤(VWIN)¹Ù·½ÍøÕ¾-ACÃ×À¼¹Ù·½ÏàÖúͬ°é
ÊÖÒÕÎĵµ
ÎĵµÀàÐÍ ÎÊÌâ ÀàÐÍ ÎļþÏÂÔØ
¹æ¸ñÊé BP6526B pdf ÍêÕû°æ
µÂÓ®¡¤(VWIN)¹Ù·½ÍøÕ¾-ACÃ×À¼¹Ù·½ÏàÖúͬ°é
µÂÓ®¡¤(VWIN)¹Ù·½ÍøÕ¾-ACÃ×À¼¹Ù·½ÏàÖúͬ°é
µÂÓ®¡¤(VWIN)¹Ù·½ÍøÕ¾-ACÃ×À¼¹Ù·½ÏàÖúͬ°é
µÂÓ®¡¤(VWIN)¹Ù·½ÍøÕ¾-ACÃ×À¼¹Ù·½ÏàÖúͬ°é
¡¾ÍøÕ¾µØÍ¼¡¿