µÂÓ®VWIN

µÂÓ®¡¤(VWIN)¹Ù·½ÍøÕ¾-ACÃ×À¼¹Ù·½ÏàÖúͬ°é Ä¿½ñλÖà £º Ê×Ò³ ²úÆ·ÖÐÐÄ>LEDÕÕÃ÷Çý¶¯Ð¾Æ¬>·Çµ÷¹â>Boost ºãѹºãÁ÷
¼òÊö
BP2616B ÊÇÒ»¿î¸ßЧÂÊ¡¢¸ß PF ÖµµÄ LED Çý¶¯Ð¾Æ¬¡£Ð¾Æ¬ÊÂÇéÔÚµç¸ÐµçÁ÷ÁÙ½çÁ¬ÐøÄ£Ê½£¬ÊÊÓÃÓÚȫѹÊäÈë Boost ¼Ü¹¹µÄ LEDÇý¶¯µçÔ´¡£ BP2616B оƬ½ÓÄÉÏȽøµÄÕ¤¼«Çý¶¯ºÍ¸ßѹ¹©µç·½Ê½£¬Ö»ÐèÒªºÜÉÙµÄÍâΧԪ¼þ£¬¼´¿ÉʵÏÖÓÅÒìµÄºãÁ÷ÌØÕ÷£¬¼«´óµÄ½ÚÔ¼ÁËϵͳ±¾Ç®ºÍÌå»ý¡£ BP2616B ¾ßÓжàÖØ±£»¤¹¦Ð§£¬°üÀ¨LED¿ªÂ·±£»¤(¹ýѹ±£»¤)оƬζȹýÈȵ÷ÀíµÈ¡£
ÓÅÊÆ

    ÄÚÖà COMP ±Õ»·ºãÁ÷¿ØÖÆ

    ÁÙ½çÁ¬ÐøµçÁ÷¿ØÖÆÄ£Ê½

    ¼¯³É600V¸ßѹJFET¹©µç£¬ÎÞVCCµçÈÝ

    ¡À5% LED Êä³öµçÁ÷¾«¶È

    ¾«×¼µÄ LED ¿ªÂ·±£»¤

    RTH É趨¹ýÈȵ÷Àí¹¦Ð§

    ½ÓÄÉ SOP-8 ·â×°

Ó¦ÓÃÁìÓò
  • LED ÇòÅݵÆ
  • LED µÆ
  • ÆäËü LED ÕÕÃ÷
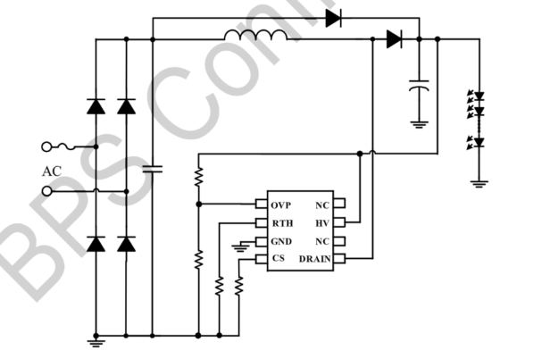
µä·¶Ó¦ÓÃÔ­Àíͼ
µÂÓ®¡¤(VWIN)¹Ù·½ÍøÕ¾-ACÃ×À¼¹Ù·½ÏàÖúͬ°é
·â×°
  • µÂÓ®¡¤(VWIN)¹Ù·½ÍøÕ¾-ACÃ×À¼¹Ù·½ÏàÖúͬ°é
ÊÖÒÕÎĵµ
ÎĵµÀàÐÍ ÎÊÌâ ÀàÐÍ ÎļþÏÂÔØ
¹æ¸ñÊé BP2616B pdf ÍêÕû°æ
µÂÓ®¡¤(VWIN)¹Ù·½ÍøÕ¾-ACÃ×À¼¹Ù·½ÏàÖúͬ°é
µÂÓ®¡¤(VWIN)¹Ù·½ÍøÕ¾-ACÃ×À¼¹Ù·½ÏàÖúͬ°é
µÂÓ®¡¤(VWIN)¹Ù·½ÍøÕ¾-ACÃ×À¼¹Ù·½ÏàÖúͬ°é
µÂÓ®¡¤(VWIN)¹Ù·½ÍøÕ¾-ACÃ×À¼¹Ù·½ÏàÖúͬ°é
¡¾ÍøÕ¾µØÍ¼¡¿