µÂÓ®VWIN

µÂÓ®¡¤(VWIN)¹Ù·½ÍøÕ¾-ACÃ×À¼¹Ù·½ÏàÖúͬ°é Ä¿½ñλÖ㺣º£º Ê×Ò³ ²úÆ·ÖÐÐÄ>LEDÕÕÃ÷Çý¶¯Ð¾Æ¬>·Çµ÷¹â>ºãѹºãÁ÷
¼òÊö
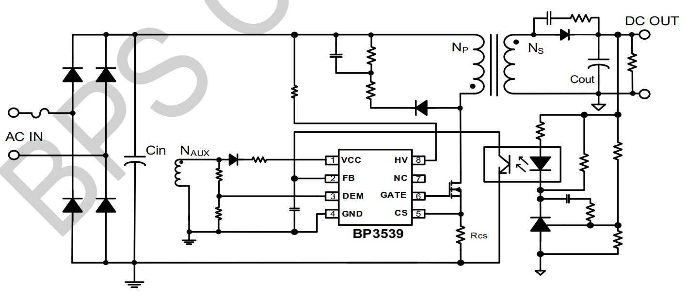
BP3539 ÊÇÒ»¿îµÍ¹¦ºÄºãѹºãÁ÷¿ØÖÆÐ¾Æ¬¡£¡£¡£ÖØÔØ×´Ì¬ÏÂоƬ¹¤ÔÚµç¸ÐµçÁ÷ÁÙ½çÁ¬ÐøÄ£Ê½£¬ÇáÔØ×´Ì¬ÏÂоƬÊÂÇéÔÚµç¸ÐµçÁ÷¶ÏÐøµ¼Í¨Ä£Ê½£¬ÊÊÓÃÓÚ 85Vac~265Vac È«¹æÄ£ÊäÈëµçѹµÄ¸ôÀëµçÔ´¡£¡£¡£ BP3539 оƬ¼¯³É¸ßѹÆô¶¯ºÍ¹©µçµç·£¬½ÓÄÉPWM/PFM ¶àģʽ¿ØÖÆÊÖÒÕ£¬´Ó¸¨ÖúÈÆ×鏸VCC¹©µç£¬ÄÜÓÐÓýµµÍϵͳ´ý»ú¹¦ºÄ£¬Ìá¸ßЧÂʺͶ¯Ì¬ÐÔÄÜ£¬²¢¼õСϵͳÊÂÇéÔÚÇáÔØÊ±µÄÔëÉù£¬ BP3539 ¾ßÓжàÖØ±£»£»¤¹¦Ð§£¬°üÀ¨Êä³ö¿ªÂ·/¶Ì·±£»£»¤¡¢¡¢Ð¾Æ¬¹©µçǷѹ/¹ýѹ±£»£»¤¡¢¡¢CS ¿ªÂ·±£»£»¤¡¢¡¢¸±±ß¶þ¼«¹Ü¶Ì·±£»£»¤¡¢¡¢ÖðÖÜÏÞÆÚÁ÷¡¢¡¢¹ýα£»£»¤µÈ¡£¡£¡£
ÓÅÊÆ

    µÍ´ý»ú¹¦ºÄ

    ½ÓµÆ´ø¸ºÔØÕ¶²¨µ÷¹âÎÞÉÁׯ

    È«¸ºÔعæÄ£ÄÚµÍÔëÉù

    ¼¯³É¸ßѹÆô¶¯ºÍ¹©µçµç·

    PWM/PFM¡¢¡¢×¼Ð³Õñ¶àģʽ¿ØÖÆ

    ¡À5%Êä³öµçÁ÷¾«¶È

Ó¦ÓÃÁìÓò
  • ÊÊÅäÆ÷µçÔ´
  • С¼ÒµçµçÔ´
  • µç»úÇý¶¯µçÔ´
  • LED Çý¶¯µçÔ´
µä·¶Ó¦ÓÃÔ­Àíͼ
µÂÓ®¡¤(VWIN)¹Ù·½ÍøÕ¾-ACÃ×À¼¹Ù·½ÏàÖúͬ°é
·â×°
  • µÂÓ®¡¤(VWIN)¹Ù·½ÍøÕ¾-ACÃ×À¼¹Ù·½ÏàÖúͬ°é
ÊÖÒÕÎĵµ
ÎĵµÀàÐÍ ÎÊÌâ ÀàÐÍ ÎļþÏÂÔØ
¹æ¸ñÊé BP3539 pdf ÍêÕû°æ
µÂÓ®¡¤(VWIN)¹Ù·½ÍøÕ¾-ACÃ×À¼¹Ù·½ÏàÖúͬ°é
µÂÓ®¡¤(VWIN)¹Ù·½ÍøÕ¾-ACÃ×À¼¹Ù·½ÏàÖúͬ°é
µÂÓ®¡¤(VWIN)¹Ù·½ÍøÕ¾-ACÃ×À¼¹Ù·½ÏàÖúͬ°é
µÂÓ®¡¤(VWIN)¹Ù·½ÍøÕ¾-ACÃ×À¼¹Ù·½ÏàÖúͬ°é
¡¾ÍøÕ¾µØÍ¼¡¿