德赢VWIN

德赢·(VWIN)官方网站-AC米兰官方相助同伴 目今位置: 首页 产品中心>LED照明驱动芯片>非调光>线性恒流
简述
BP5336HC 是一款高精度分段线性恒流LED控制芯片,,集成磷七压整流管和 JFET高压供电功效。主要用于驱动由市电供电的高电压、、低电流 LED 灯串。由于不需要电解电容和磁性元件,,LED驱动器可以实现小体积、、长寿命,,并切合EMI划定。 BP5336HC 可以通过外部电阻准确的设定 LED电流,,芯片通过优化分段导通时的电流,,有利于减小 THD。 BP5336HC具有过温调理功效。当输入电压过高,,或者LED电流过大时,,此功效将降低输出电流。
优势

    外围电路很是简朴,,驱动器体积很是小

    无需电解电容和磁性元件

    650V 高压 MOS 管

    母线电压转变±20%仍可事情

    超快 LED 启动

    LED 电流可外部设定

    输入线电压赔偿功效

    内置过温降电流功效

应用领域
  • GU10/E27 LED 球泡灯、、射灯
  • LED 蜡烛灯
  • 其它 LED 照明
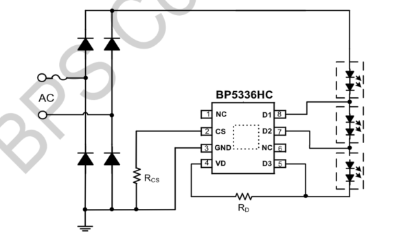
典范应用原理图
德赢·(VWIN)官方网站-AC米兰官方相助同伴
封装
  • 德赢·(VWIN)官方网站-AC米兰官方相助同伴
手艺文档
文档类型 问题 类型 文件下载
规格书 BP5336HC pdf 完整版
德赢·(VWIN)官方网站-AC米兰官方相助同伴
德赢·(VWIN)官方网站-AC米兰官方相助同伴
德赢·(VWIN)官方网站-AC米兰官方相助同伴
德赢·(VWIN)官方网站-AC米兰官方相助同伴
【网站地图】