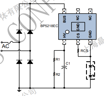
知足欧洲新 ERP 标准
PF>0.5,,,无频闪
内置线赔偿功效
无需压敏,,,抗浪涌800V 以上
外围电路很是简朴,,,驱动器体积很是小
无需磁性元件
超快 LED 启动
士5% LED 输出电流精度
LED 电流可外部设定