德赢VWIN
搜索
登录
中文
英文
首页
产品中心
DC/DC电源治理芯片
多相数字控制器
智能集乐成率器件
降压转换器POL
电子开关/热插拔控制
AC/DC电源治理芯片
非隔离电源
隔离电源
LED照明驱动芯片
非调光
调光
智能面板
电机控制与驱动芯片
电机驱动
MCU
应用
LED照明
智能照明
高性能灯具
通用光源
风扇灯
高性能盘算应用
Server
DT
PC(NB/Desk PC/主板)
VGA
汽车电子
汽车风扇
车载水泵
车载压缩机控制
工业应用
两轮电动车
白色家电
电动工具
服务器风扇
消耗电子
快充
清洁电器
小家电
高速风筒
服务与支持
销售网络
咨询服务
选型指南下载
投资者关系
信息披露
ESG报告
加入德赢VWIN
社会招聘
校园招聘
实习生招聘
文化福利
晶星妄想
关于德赢VWIN
德赢VWIN简介
新闻资讯
分子公司
云游晶丰
DC/DC电源治理芯片
多相数字控制器
智能集乐成率器件
降压转换器POL
电子开关/热插拔控制
AC/DC电源治理芯片
非隔离电源
隔离电源
SSR光耦驱动
SSR磁耦驱动
SR同步整流
PSR
LED照明驱动芯片
非调光
AC/DC非隔离低PF
AC/DC非隔离高PF
AC/DC隔离低PF(驱动MOS)
AC/DC隔离低PF(驱动BJT)
AC/DC隔离高PF
线性恒流
线性去频闪
恒压恒流
Boost 恒压恒流
辅助电源
调光
非隔离 PWM调光
线性PWM调光
DC-DC PWM调光
开关调光调色
PWM调色温
0-10V调光
线性可控硅调光
开关可控硅调光
智能面板
单前方
电机控制与驱动芯片
电机驱动
MCU
目今位置:::
首页
产品中心
>LED照明驱动芯片>
非调光
>
线性恒流
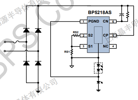
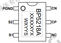
BP5218AS
样品申请
简述
优势
应用领域
典范应用原理图
封装
手艺文档
相关文章
返回
简述
BP5218AS 是一款高精度的双压线性恒流LED控制芯片:集成磷七压 MOS 管、超快恢复管和 JFET 高压供电功效。主要用于双电压输入的高功率因数的种种光源和灯具的驱动,同时具有优异的线性调解率。由于不需要磁性元件,LED 驱动器可以实现小体积、长寿命,并切合EMI划定。BP5218AS 可以通过外部电阻准确的设定LED电流,且具有线电压赔偿功效,从而提高线性调解率。 BP5218AS 具有高精度的过温调理功效。当输入电压过高或者 LED 电流过大时,此功效将降低输出电流。
优势
支持双压应用
串并软切换,切换无闪灼
集成 600V 超快恢复二极管
集成 650VMOS
外围电路很是简朴,驱动器体积很是小
无需磁性元件
超快 LED 启动
LED 电流可外部设定
应用领域
GU10/E27 LED 球泡灯、射灯
LED 蜡烛灯灯丝灯
其它 LED 照明
典范应用原理图
封装
手艺文档
文档类型
问题
类型
文件下载
规格书
BP5218AS
pdf
完整版
咨询
【网站地图】