简述
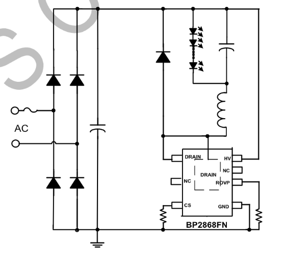
BP2868FN是一款高精度降压型LED(LED)恒流驱动芯片。芯片事情在电感电流临界连续模式,,适用85 Vac~265Vac全规模输入电压的非隔离降压型LED恒流电源。芯片ROVP引脚带启用(Enable)功效,,适用于开关调色和感应灯应用。
BP2868FN芯片内部集成500V功率开关,,接纳特有的退磁检测手艺和高压JFET供电手艺,,无需VCC电容和启动电阻,,使其外围器件更简朴,,节约了外围的本钱和体积。
BP2868FN 芯片内置高精度的电流采样电路,,实现高精度的 LED 恒流输出和优异的线电压调解率。芯片事情在电感电流临界模式,,输出电流不随电感量和 LED 事情电压的转变而转变,,实现优异的负载调解率。