µÂÓ®VWIN

µÂÓ®¡¤(VWIN)¹Ù·½ÍøÕ¾-ACÃ×À¼¹Ù·½ÏàÖúͬ°é Ä¿½ñλÖ㺣º Ê×Ò³ ²úÆ·ÖÐÐÄ>AC/DCµçÔ´ÖÎÀíоƬ>·Ç¸ôÀëµçÔ´
¼òÊö
BP85224A ÊÇÒ»¿î¸ßÐÔÄÜ¡¢¸ß¼¯³É¶È¡¢µÍ´ý»ú¹¦ºÄµÄ¿ª¹ØµçÔ´Çý¶¯Ð¾Æ¬£¬ÊÊÓÃÓÚÈ«µçѹ 85~265VAC ÊäÈëµÄ Buck¡¢Buck-Boost ±ä»»Æ÷ÍØÆËÓ¦Óᣡ£¡£¡£¡£¡£¡£ BP85224A оƬÄÚ²¿¼¯³É1600V ÕûÁ÷¶þ¼«¹Ü¡¢650V¸ßѹMOSFET¡¢¸ßѹÆô¶¯ºÍ×Ô¹©µçµç·¡¢µçÁ÷²ÉÑùµç·¡¢µçѹ·´À¡µç·ÒÔ¼°ÐøÁ÷¶þ¼«¹Ü£¬½ÓÄÉÏȽøµÄ¿ØÖÆÊÖÒÕ£¬ÎÞÐèÍⲿVCCµçÈݺͻ·Â·Åâ³¥¼´¿ÉʵÏÖÓÅÒìµÄºãѹÊä³öÌØÕ÷£¬¼«´óµØïÔÌ­ÍâΧÆ÷¼þÊýÄ¿£¬½µµÍϵͳ±¾Ç®ºÍÌå»ý£¬Ìá¸ß¿É¿¿ÐÔ¡£¡£¡£¡£¡£¡£¡£ BP85224A оƬ½ÓÄɶàģʽ¿ØÖÆÊÖÒÕ£¬½µµÍϵͳ´ý»ú¹¦ºÄ£¬Ìá¸ßЧÂʺͶ¯Ì¬ÐÔÄÜ£¬¼õСϵͳÊÂÇéÔÚÇáÔØÊ±µÄÔëÉù¡£¡£¡£¡£¡£¡£¡£
ÓÅÊÆ

    ¼¯³É 1600V ÕûÁ÷¶þ¼«¹Ü

    ¼¯³É VCC µçÈÝ¡¢ÐøÁ÷¶þ¼«¹ÜºÍ·´À¡¶þ¼«¹Ü

    ÄÚ²¿¼¯³É 650V ¸ßѹ MOSFET

    ¼¯³É¸ßѹÆô¶¯ºÍ×Ô¹©µçµç·

    µÍ´ý»ú¹¦ºÄ 50mW@230Vac

    Àο¿ 5V Êä³ö

    ÓÅÒìµÄ¶¯Ì¬ÏìÓ¦ËÙÂÊ£¬Êä³öµçÑ¹ÎÆ²¨Ð¡

Ó¦ÓÃÁìÓò
  • С¼Òµç¸¨ÖúµçÔ´
  • µç»úÇý¶¯¸¨ÖúµçÔ´
  • IOT/ÖÇÄܼҾÓ/ÖÇÄÜÕÕÃ÷
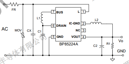
µä·¶Ó¦ÓÃÔ­Àíͼ
µÂÓ®¡¤(VWIN)¹Ù·½ÍøÕ¾-ACÃ×À¼¹Ù·½ÏàÖúͬ°é
·â×°
  • µÂÓ®¡¤(VWIN)¹Ù·½ÍøÕ¾-ACÃ×À¼¹Ù·½ÏàÖúͬ°é
ÊÖÒÕÎĵµ
ÎĵµÀàÐÍ ÎÊÌâ ÀàÐÍ ÎļþÏÂÔØ
¹æ¸ñÊé BP85224A pdf ÍêÕû°æ
µÂÓ®¡¤(VWIN)¹Ù·½ÍøÕ¾-ACÃ×À¼¹Ù·½ÏàÖúͬ°é
µÂÓ®¡¤(VWIN)¹Ù·½ÍøÕ¾-ACÃ×À¼¹Ù·½ÏàÖúͬ°é
µÂÓ®¡¤(VWIN)¹Ù·½ÍøÕ¾-ACÃ×À¼¹Ù·½ÏàÖúͬ°é
µÂÓ®¡¤(VWIN)¹Ù·½ÍøÕ¾-ACÃ×À¼¹Ù·½ÏàÖúͬ°é
¡¾ÍøÕ¾µØÍ¼¡¿