德赢VWIN
搜索
登录
中文
英文
首页
产品中心
DC/DC电源治理芯片
多相数字控制器
智能集乐成率器件
降压转换器POL
电子开关/热插拔控制
AC/DC电源治理芯片
非隔离电源
隔离电源
LED照明驱动芯片
非调光
调光
智能面板
电机控制与驱动芯片
电机驱动
MCU
应用
LED照明
智能照明
高性能灯具
通用光源
风扇灯
高性能盘算应用
Server
DT
PC(NB/Desk PC/主板)
VGA
汽车电子
汽车风扇
车载水泵
车载压缩机控制
工业应用
两轮电动车
白色家电
电动工具
服务器风扇
消耗电子
快充
清洁电器
小家电
高速风筒
服务与支持
销售网络
咨询服务
选型指南下载
投资者关系
信息披露
ESG报告
加入德赢VWIN
社会招聘
校园招聘
实习生招聘
文化福利
晶星妄想
关于德赢VWIN
德赢VWIN简介
新闻资讯
分子公司
云游晶丰
DC/DC电源治理芯片
多相数字控制器
智能集乐成率器件
降压转换器POL
电子开关/热插拔控制
AC/DC电源治理芯片
非隔离电源
隔离电源
SSR光耦驱动
SSR磁耦驱动
SR同步整流
PSR
LED照明驱动芯片
非调光
AC/DC非隔离低PF
AC/DC非隔离高PF
AC/DC隔离低PF(驱动MOS)
AC/DC隔离低PF(驱动BJT)
AC/DC隔离高PF
线性恒流
线性去频闪
恒压恒流
Boost 恒压恒流
辅助电源
调光
非隔离 PWM调光
线性PWM调光
DC-DC PWM调光
开关调光调色
PWM调色温
0-10V调光
线性可控硅调光
开关可控硅调光
智能面板
单前方
电机控制与驱动芯片
电机驱动
MCU
目今位置::
首页
产品中心
>
AC/DC电源治理芯片
>
非隔离电源
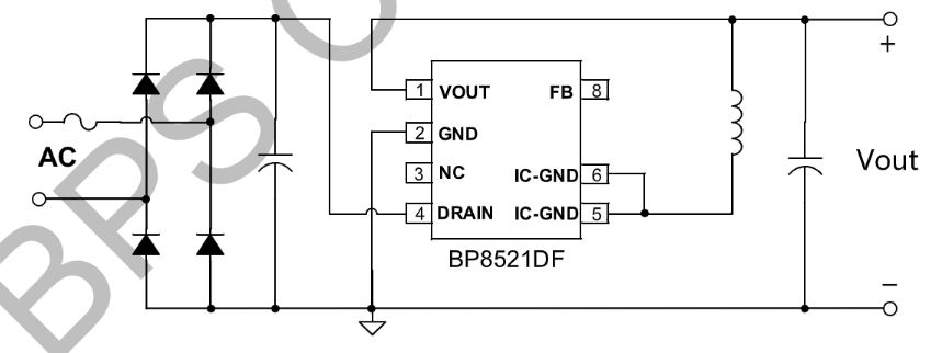
BP8521DF
样品申请
简述
优势
应用领域
典范应用原理图
封装
手艺文档
相关文章
返回
简述
BP8521DF 是一款高性能、高集成度、低待机功耗的开关电源驱动芯片,适用于全电压 85~265VAC输入的Buck、Buck-Boost 拓扑应用。。。功率电感可兼容 0510色环电感或CD43 贴片电感。。。 BP8521DF 芯片内部集成550V 高压 MOSFET、高压启动和自供电电路、电流采样电路、电压反馈电路以及续流二极管,无需外部 VCC 电容和环路赔偿即可实现优异的恒压输出特征,极大地镌汰外围器件数目,节约系统本钱和体积,同时提高可靠性
优势
兼容 0510色环电感或 CD43 贴片电感
集成 VCC 电容、续流二极管和反馈二极管
集成 550V 高压 MOSFET
集成高压启动和自供电电路
低待机功耗
应用领域
小家电辅助电源
电机驱动辅助电源
IOT/智能家居/智能照明
典范应用原理图
封装
手艺文档
文档类型
问题
类型
文件下载
规格书
BP8521DF
pdf
完整版
咨询
【网站地图】