德赢VWIN

德赢·(VWIN)官方网站-AC米兰官方相助同伴 目今位置::: 首页 产品中心>AC/DC电源治理芯片>非隔离电源
简述
BP85224D 是一款高性能、、、高集成度、、、低待机功耗的开关电源驱动芯片,适用于全电压 85-265VAC 输入的 Buck、、、Buck-Boost 变换器拓扑应用。 BP85224D 芯片内部集成 650V 高压 MOSFET、、、高压启动和自供电电路、、、电流采样电路、、、电压反馈电路以及续流二极管,接纳先进的控制手艺,无需外部VCC电容和环路赔偿即可实现优异的恒压输出特征,极大地镌汰外围器件数目,降低系统本钱和体积,提高可靠性。 BP85224D 芯片接纳多模式控制手艺,降低系统待机功耗,提高效率和动态性能,减小系统事情在轻载时的噪声。
优势

    集成 VCC 电容、、、续流二极管和反馈二极管

    内部集成 650V 高压 MOSFET

    集成高压启动和自供电电路

    低待机功耗 50mW@230Vac

    牢靠 5V 输出

    优异的动态响应速率,输出电压纹波小

应用领域
  • 小家电辅助电源
  • 电机驱动辅助电源
  • IOT/智能家居/智能照明
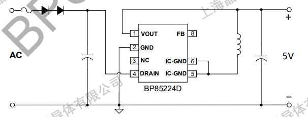
典范应用原理图
德赢·(VWIN)官方网站-AC米兰官方相助同伴
封装
  • 德赢·(VWIN)官方网站-AC米兰官方相助同伴
手艺文档
文档类型 问题 类型 文件下载
规格书 BP85224D pdf 完整版
德赢·(VWIN)官方网站-AC米兰官方相助同伴
德赢·(VWIN)官方网站-AC米兰官方相助同伴
德赢·(VWIN)官方网站-AC米兰官方相助同伴
德赢·(VWIN)官方网站-AC米兰官方相助同伴
【网站地图】