德赢VWIN

德赢·(VWIN)官方网站-AC米兰官方相助同伴 目今位置:: 首页 产品中心>AC/DC电源治理芯片>非隔离电源
简述
BP8522DF 是一款高性能 、高集成度 、低待机功耗的开关电源驱动芯片,适用于全电压 85~265VAC 输入的 Buck变换器拓扑应用。 BP8522DF芯片内部集成550V高压MOSFET 、高压启动和自供电电路 、电流采样电路 、电压反馈电路以及续流二极管,接纳先进的控制手艺,无需外部 VCC 电容和环路赔偿即可实现优异的恒压输出特征,极大地镌汰外围器件数目,节约系统本钱和体积,同时提高可靠性。 BP8522DF 芯片接纳多模式控制手艺,降低系统待机功耗,提高效率和动态性能,减小系统事情在轻载时的噪声。
优势

    集成 VCC电容 、续流二极管和反馈二极管集成 550V 高压 MOSFET集成高压启动和自供电电路

    内置软启动功效低待机功耗 50mW@230Vac

    多模式控制手艺

    优异的动态响应和输出电压纹波体现

    优异的负载调解率和线性调解率

应用领域
  • 小家电辅助电源
  • 电机驱动辅助电源
  • IOT/智能家居/智能照明
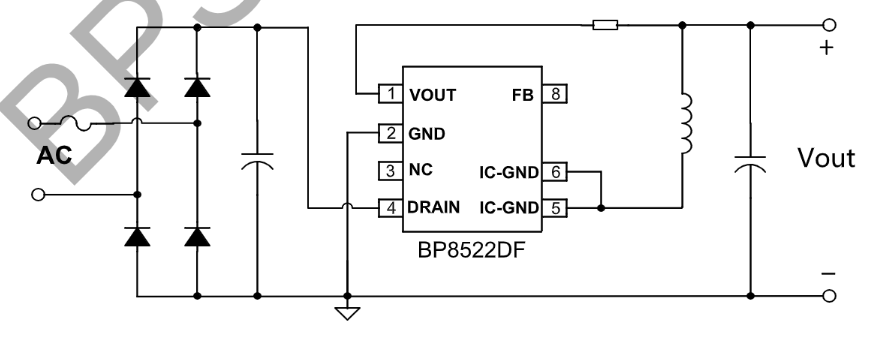
典范应用原理图
德赢·(VWIN)官方网站-AC米兰官方相助同伴
封装
  • 德赢·(VWIN)官方网站-AC米兰官方相助同伴
手艺文档
文档类型 问题 类型 文件下载
规格书 BP8522DF pdf 完整版
德赢·(VWIN)官方网站-AC米兰官方相助同伴
德赢·(VWIN)官方网站-AC米兰官方相助同伴
德赢·(VWIN)官方网站-AC米兰官方相助同伴
德赢·(VWIN)官方网站-AC米兰官方相助同伴
【网站地图】