µÂÓ®VWIN

µÂÓ®¡¤(VWIN)¹Ù·½ÍøÕ¾-ACÃ×À¼¹Ù·½ÏàÖúͬ°é Ä¿½ñλÖ㺠Ê×Ò³ ²úÆ·ÖÐÐÄ>AC/DCµçÔ´ÖÎÀíоƬ>·Ç¸ôÀëµçÔ´
¼òÊö
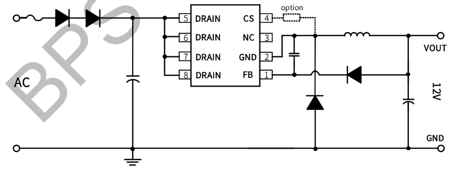
BP85958D ÊÇÒ»¿î¸ßÐÔÄÜ ¡¢¸ß¼¯³É¶È ¡¢µÍ´ý»ú¹¦ºÄµÄ¿ª¹ØµçÔ´Çý¶¯Ð¾Æ¬£¬£¬£¬ÊÊÓÃÓÚÈ«µçѹ 85~265VACÊäÈëµÄ Buck ¡¢Buck-BoostµÈ±ä»»Æ÷ÍØÆËÓ¦Óᣡ£¡£ BP85958D ÄÚ²¿¼¯³ÉÁË650V¸ßѹMOSFET ¡¢¸ßѹÆô¶¯ºÍ×Ô¹©µçµç· ¡¢µçÁ÷²ÉÑùµç·ÒÔ¼°µçѹ·´À¡µç·£¬£¬£¬½ÓÄÉÏȽøµÄ¿ØÖÆÊÖÒÕ£¬£¬£¬ÎÞÐ軷·Åâ³¥¼´¿ÉʵÏÖÓÅÒìµÄºãѹÊä³öÌØÕ÷£¬£¬£¬¼«´óµØïÔÌ­ÁËÍâΧÆ÷¼þÊýÄ¿£¬£¬£¬½ÚÔ¼ÁËϵͳ±¾Ç®ºÍÌå»ý£¬£¬£¬Í¬Ê±Ìá¸ßÁ˿ɿ¿ÐÔ¡£¡£¡£
ÓÅÊÆ

    ÄÚ²¿¼¯³É 650V ¸ßѹ MOSFET

    ¼¯³É¸ßѹÆô¶¯ºÍ×Ô¹©µçµç·

    ¼¯³ÉÊä³öµçѹ²ÉÑù

    µÍ´ý»ú¹¦ºÄ

    Àο¿ 12V Êä³ö

    ÓÅÒìµÄ¶¯Ì¬ÏìÓ¦ËÙÂÊ£¬£¬£¬Êä³öµçÑ¹ÎÆ²¨Ð¡

Ó¦ÓÃÁìÓò
  • С¼Òµç¸¨ÖúµçÔ´
  • µç»úÇý¶¯¸¨ÖúµçÔ´
  • IOT/ÖÇÄܼҾÓ/ÖÇÄÜÕÕÃ÷
µä·¶Ó¦ÓÃÔ­Àíͼ
µÂÓ®¡¤(VWIN)¹Ù·½ÍøÕ¾-ACÃ×À¼¹Ù·½ÏàÖúͬ°é
·â×°
  • µÂÓ®¡¤(VWIN)¹Ù·½ÍøÕ¾-ACÃ×À¼¹Ù·½ÏàÖúͬ°é
ÊÖÒÕÎĵµ
ÎĵµÀàÐÍ ÎÊÌâ ÀàÐÍ ÎļþÏÂÔØ
¹æ¸ñÊé BP85958D pdf ÍêÕû°æ
µÂÓ®¡¤(VWIN)¹Ù·½ÍøÕ¾-ACÃ×À¼¹Ù·½ÏàÖúͬ°é
µÂÓ®¡¤(VWIN)¹Ù·½ÍøÕ¾-ACÃ×À¼¹Ù·½ÏàÖúͬ°é
µÂÓ®¡¤(VWIN)¹Ù·½ÍøÕ¾-ACÃ×À¼¹Ù·½ÏàÖúͬ°é
µÂÓ®¡¤(VWIN)¹Ù·½ÍøÕ¾-ACÃ×À¼¹Ù·½ÏàÖúͬ°é
¡¾ÍøÕ¾µØÍ¼¡¿